欢迎来到青岛泽宇商贸流通有限公司

您当前所在的位置:主页 > 产品中心 > 卸扣系列 >
SHACKLE SERIES
卸扣系列

美式宽体卸扣

美式宽体卸扣

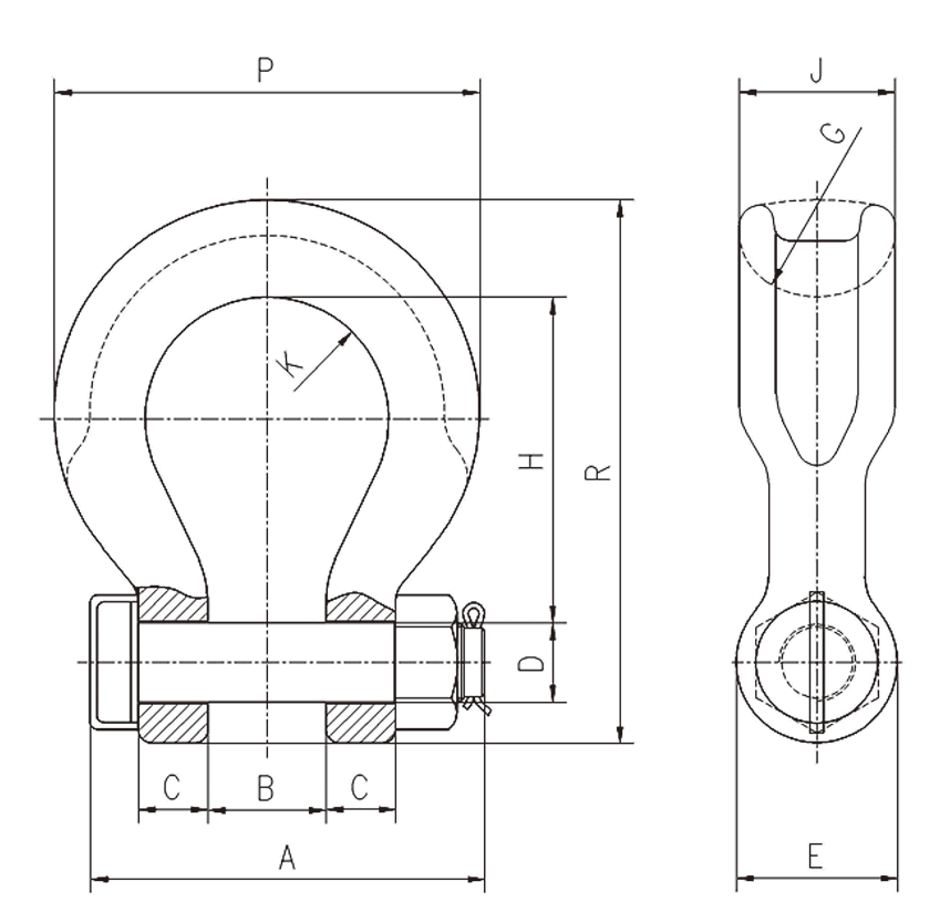
1、扣体采用高强度优质合金钢模锻而成,扣体,销轴经过严格的调质热处理工艺,表面处理:喷塑。 2、验证载荷为工作载荷极限的2倍。 3、抽样进行疲劳检测:以1.5倍的工作载荷极限

全国咨询热线:

更多联系方式
-产品详情- -产品参数-
1、扣体采用高强度优质合金钢模锻而成,扣体,销轴经过严格的调质热处理工艺,表面处理:喷塑。
2、验证载荷为工作载荷极限的2倍。
3、抽样进行疲劳检测:以1.5倍的工作载荷极限力进行20000次的疲劳测试。
4、产品100%电磁探伤检测。
5、产品最小破断载荷为产品工作载荷极限的5倍。

产品参数

相关产品

创造客户价值 助力客户成功

青岛泽宇商贸流通有限公司凭借着高新的技术、优异的品质及良好的服务赢得了客户点赞,在国内外众多企业大放异彩!

COPYRIGHT© 青岛泽宇商贸流通有限公司 ALL RIGHTS RESERVED